Product Summary
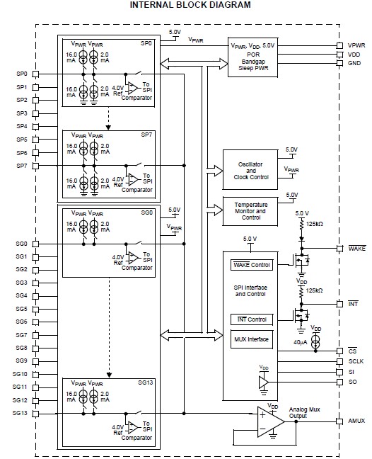
The MC33972DWB Multiple Switch Detection Interface with suppressed wake-Up is designed to detect the closing and opening of up to 22 switch contacts. The switch status, either open or closed, is transferred to the microprocessor unit (MCU) through a serial peripheral interface (SPI). The MC33972DWB also features a 22-to-1 analog multiplexer for reading inputs as analog. The analog input signal is buffered and provided on the AMUX output pin for the MCU to read. The MC33972DWB has two modes of operation, Normal and Sleep. Normal Mode allows programming of the device and supplies switch contacts with pull-up or pull-down current as it monitors switch change of state. The Sleep Mode provides low quiescent current, which makes the MC33972DWB ideal for automotive and industrial products requiring low sleep-state currents.
Parametrics
MC33972DWB electrical ratings: (1)VDD Supply Voltage, CS, SI, SO, SCLK, INT, AMUX: -0.3 to 7.0 VDC; (2)WAKE: -0.3 to 40 VDC; (3)VPWR Supply Voltage: -0.3 to 50 VDC; (4)VPWR Supply Voltage at -40C: -0.3 to 45 VDC; (5)Switch Input Voltage Range: -14 to 40 VDC; (6)Frequency of SPI Operation (VDD = 5.0V): 6.0 MHz; (7)ESD Voltage, VESD: ±2000v at Human Body Model; ±2000v Applies to all non-input pins; ±200v at Machine Model; 750 v at Charge Device Model Corner Pins; 500 v at Charge Device Model Interior Pins.
Features
MC33972DWB features: (1)Designed to operate 5.5V ≤ VPWR ≤ 26V; (2)Switch input voltage range -14V to VPWR, 40V Max; (3)Interfaces directly to MPU using 3.3V/5.0V SPI protocol; (4)Selectable wake-up on change of state; (5)Selectable wetting current (16mA or 2.0mA); (6)8 programmable inputs (switches to battery or ground); (7)14 switch-to-ground inputs; (8)Typical standby current - VPWR = 100μA and VDD = 20μA; (9)Active interrupt (INT) on change-of-switch state; (10)Pb-free packaging designated by suffix code EW; (11)Exposed pad packaging designated by suffix code EK.
Diagrams

| Image | Part No | Mfg | Description | ![]() |
Pricing (USD) |
Quantity | ||||
|---|---|---|---|---|---|---|---|---|---|---|
![]() MC33972DWB |
![]() |
![]() IC SWITCH DETECT SPI 32-SOIC |
![]() Data Sheet |
![]() Negotiable |
|
|||||
![]() MC33972DWBR2 |
![]() |
![]() IC SWITCH DETECT SPI 32-SOIC |
![]() Data Sheet |
![]() Negotiable |
|
|||||
(China (Mainland))








