Product Summary
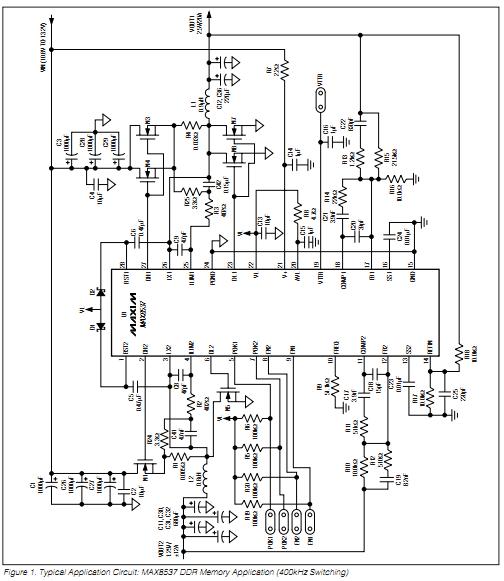
The MAX8538EEI is a controller providing a complete power-management solution for both double-data-rate (DDR) and combiner supplies. The MAX8538EEI is configured as a dual out-of-phase controller for point-of-load supplies. Each buck controller can source or sink up to 25A of current, while the termination reference can supply up to 15mA output. The applications of the MAX8538EEI include DDR Memory Power Supplies, Notebooks and Desknotes, Servers and Storage Systems, Broadband Routers, XDSL Modems and Routers, Power DSP Core Supplies, Power Combiner in Advanced VGA Cards, Networking Systems and RAMBUS Memory Power Supplies.
Parametrics
MAX8538EEI absolute maxim ratings: (1)V+ to GND: -0.3V to +25V; (2)AVL, VL to GND: -0.3V to +6V; (3)PGND to GND: -0.3V to +0.3V; (4)FB_, EN_, POK_ to GND: -0.3V to +6V ; (5)REFIN, VTTR, FREQ, SS_, COMP_ to GND: -0.3V to (AVL + 0.3V) ; (6)BST_, ILIM_ to GND: -0.3V to +30V ; (7)DH1 to LX1: -0.3V to (BST1 + 0.3V); (8)DH2 to LX2: -0.3V to (BST2 + 0.3V); (9)LX_ to BST_: -6V to +0.3V; (10)LX_ to GND: -2V to +25V; (11)DL_ to PGND: -0.3V to (VL + 0.3V); (12)Continuous Power Dissipation: 860mW; (13)Operating Temperature Range: -40 to +85℃; (14)Junction Temperature: +150℃; (15)Storage Temperature Range: -65 to +150℃; (16)Lead Temperature (soldering, 10s): +300℃.
Features
MAX8538EEI features: (1)Dual Nontracking Controller; (2)Out-of-Phase Operation; (3)4.5V to 23V Wide Input Range (Operate Down to 1.8V Input with External 5V Supply); (4)Tracking Supply Maintains VTT = VTTR = 1/2 VDDQ; (5)Adjustable Output from 0.8V to 3.6V with 1% Accuracy; (6)VTTR Reference Sources and Sinks Up to 15mA; (7)200kHz to 1.4MHz Adjustable Switching Frequency; (8)All-Ceramic Design Achievable; (9)>90% Efficiency; (10)Independent POK_ and EN_; (11)Adjustable Soft-Start and Soft-Stop for Each Output; (12)Lossless Adjustable-Hiccup Current Limit; (13)Output Overvoltage Protection; (14)28-Pin QSOP Package.
Diagrams

| Image | Part No | Mfg | Description | ![]() |
Pricing (USD) |
Quantity | ||||||||||||
|---|---|---|---|---|---|---|---|---|---|---|---|---|---|---|---|---|---|---|
![]() |
![]() MAX8538EEI |
![]() Maxim Integrated Products |
![]() DC/DC Switching Controllers |
![]() Data Sheet |
![]() Negotiable |
|
||||||||||||
![]() |
![]() MAX8538EEI+ |
![]() Maxim Integrated Products |
![]() DC/DC Switching Controllers Dual-Synchronous Buck Controller |
![]() Data Sheet |
![]()
|
|
||||||||||||
![]() |
![]() MAX8538EEI+T |
![]() Maxim Integrated Products |
![]() DC/DC Switching Controllers Dual-Synchronous Buck Controller |
![]() Data Sheet |
![]()
|
|
||||||||||||
![]() |
![]() MAX8538EEI-T |
![]() Maxim Integrated Products |
![]() DC/DC Switching Controllers |
![]() Data Sheet |
![]() Negotiable |
|
||||||||||||
(China (Mainland))










