Product Summary
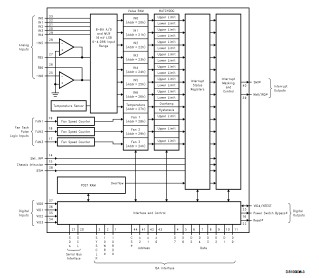
The LM79CCVFX is a Microprocessor System Hardware Monitor. In a PC, the device can be used to monitor power supply voltages, temperatures, and fan speeds. Actual values for these inputs can be read at any time, and programmable WATCHDOG limits in the LM79CCVFX activate a fully programmable and maskable interrupt system with two outputs. It has an on-chip temperature sensor, 5 positive analog inputs, two inverting inputs (for monitoring negative voltages), and an 8-bit ADC. The applications of the LM79CCVFX include: System Hardware Monitoring for Servers and PCs, Office Electronics, Electronic Test Equipment and Instrumentation.
Parametrics
LM79CCVFX absolute maximum ratings: (1)Positive Supply Voltage (VCC): 6.5V; (2)Voltage on Any Input or Output Pin: -0.3V to (VCC+0.3V); (3)Ground Difference (GNDD–GNDA): ±300 mV; (4)Input Current at any Pin: ±5 mA; (5)Package Input Current: ±20 mA; (6)Maximum Junction Temperature(TJ max): 150℃; (7)ESD Susceptibility Human Body Model: 2000V, Machine Model: 175V; (8)Storage Temperature: -65℃ to +150℃.
Features
LM79CCVFX features: (1)Temperature sensing; (2)5 positive voltage inputs; (3)2 op amps for negative voltage monitoring; (4)3 fan speed monitoring inputs; (5)Input for additional temperature sensors; (6)Chassis Intrusion Detector input; (7)WATCHDOG comparison of all monitored values; (8)POST code storage RAM; (9)ISA and I2C Serial Bus interfaces.
Diagrams

![]() |
![]() LM79 |
![]() Other |
![]() |
![]() Data Sheet |
![]() Negotiable |
|
||||||||||||
![]() |
![]() LM7905 |
![]() Other |
![]() |
![]() Data Sheet |
![]() Negotiable |
|
||||||||||||
![]() |
![]() LM7905CT |
![]() Fairchild Semiconductor |
![]() Linear Regulators - Standard TO-220 1A Neg Volt |
![]() Data Sheet |
![]()
|
|
||||||||||||
![]() |
![]() LM7905CT/NOPB |
![]() National Semiconductor (TI) |
![]() Linear Regulators - Standard 3-Terminal Neg Vltg |
![]() Data Sheet |
![]()
|
|
||||||||||||
![]() |
![]() LM7906 |
![]() Other |
![]() |
![]() Data Sheet |
![]() Negotiable |
|
||||||||||||
![]() |
![]() LM7906CT |
![]() Fairchild Semiconductor |
![]() Linear Regulators - Standard 3-Term 1A Negative Voltage Regulator |
![]() Data Sheet |
![]()
|
|
||||||||||||
(China (Mainland))









