Product Summary
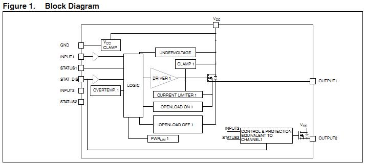
The VND5050K is a monolithic device made using STMicroelectronics VIPower M0-5 technology. It is intended for driving resistive or inductive loads with one side connected to ground. Active VCC pin voltage clamp protects the device against low energy spikes (see ISO7637 transient compatibility table). The VND5050K detects open load condition both in on and off state, when STAT_DIS is left open or driven low. Output shorted to VCC is detected in the off state.
Parametrics
VND5050K absolute maximum ratings: (1)VCC, DC Supply Voltage: 41 V; (2)- VCC, Reverse DC Supply Voltage: 0.3 V; (3)- IGND, DC Reverse Ground Pin Current: 200 mA; (4)IOUT, DC Output Current: Internally Limited; (5)- IOUT, Reverse DC Output Current: 15 A; (6)IIN, DC Input Current: +10 / -1 mA; (7)ISTAT, DC Status Current: +10 / -1 mA; (8)ISTAT_DIS, DC Status Disable Current: +10 / -1 mA; (9)EMAX, Maximum switching energy: 51 mJ; (10)VESD, Electrostatic Discharge: 4000V; (11)VESD, Charge device model (CDM-AEC-Q100-011): 750 V; (12)Tj, Junction Operating Temperature: -40 to 150℃; (13)Tstg, Storage Temperature: - 55 to 150℃.
Features
VND5050K features: (1)Max supply voltage, VCC: 41V; (2)Operating voltage range, VCC: 4.5 to 36V; (3)Max On-State resistance (per ch.), RON: 50 mΩ; (4)Current limitation (typ), ILIMH: 19 A; (5)Off state supply current, IS: 2 μA; (6)Inrush current active management by power limitation; (7)Very low stand-by current; (8)3.0V CMOS compatible input; (9)Optimized electromagnetic emission; (10)Very low electromagnetic susceptibility; (11)In compliance with the 2002/95/ec european directive Diagnostic Functions; (12)Open drain status output; (13)On state open load detection; (14)Off state open load detection; (15)Thermal shutdown indication Protections; (16)Undervoltage shut-down; (17)Overvoltage clamp; (18)Output stuck to VCC detection; (19)Load current limitation.
Diagrams

| Image | Part No | Mfg | Description | ![]() |
Pricing (USD) |
Quantity | ||||||||||||
|---|---|---|---|---|---|---|---|---|---|---|---|---|---|---|---|---|---|---|
![]() |
![]() VND5050K |
![]() Other |
![]() |
![]() Data Sheet |
![]() Negotiable |
|
||||||||||||
![]() |
![]() VND5050K-E |
![]() STMicroelectronics |
![]() Power Driver ICs Double Ch Hi Side Driver auto |
![]() Data Sheet |
![]()
|
|
||||||||||||
![]() |
![]() VND5050KTR-E |
![]() STMicroelectronics |
![]() Power Driver ICs Double Ch Hi Side Driver auto |
![]() Data Sheet |
![]()
|
|
||||||||||||
(China (Mainland))










